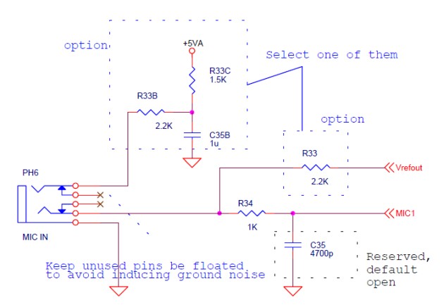
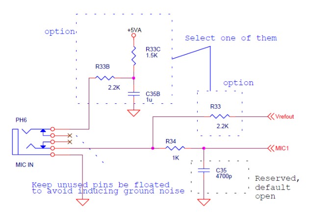
Realtek wejście mikrofonowe mono
Δ
Ta witryna wykorzystuje usługę Akismet aby zredukować ilość spamu. Dowiedz się w jaki sposób dane w twoich komentarzach są przetwarzane.