Czy to musiało tak długo trwać? Widocznie musiało, skoro trwało 😉
Skapitulowałem przed nawałem pracy i… różnorodnością złącz mikrofonowych w kartach dźwiękowych. Zamiast jednego „hurtowego” omówienia musimy poświęcić trochę więcej czasu i pasma i przetestować wszystko po kolei. Tak więc na pierwszy ogień idzie mój wierny i niezawodny netbook firmy Asus – Eee PC 1201N.
Asus 1201N to nie jest taki pierwszy lepszy netbook, to jest dwurdzeniowy (!) Atom 1,6GHz z kartą graficzną z wyjściem HDMI i wyświetlaczem 1366×768. Wypas 😉 – można więc domniemywać, że również wbudowana karta dźwiękowa psu spod ogona nie wypadła 😉
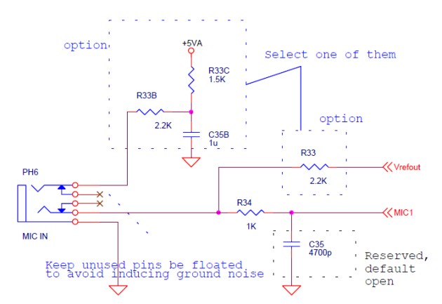
Zobaczmy, jak jest. Przede wszystkim wejście mikrofonowe raczej jest monofoniczne, tak więc zgodnie z wytycznymi ze strony realteka układ nie jest w wersji stereo, czyli takiej jak podawałem w poprzedniej części, tylko najprawdopodobniej wygląda mniej więcej tak:
Pewne wątpliwości budzić może sformułowanie „select one of them” – oznaczałoby ono, że jeżeli na R mamy zasilanie, to na T żadnego napięcia być nie powinno, a jeżeli zasilanie jest na T, to R powinien „wisieć w powietrzu”, a przecież zmierzyłem, że napięcie jest i na R i na T. Pierwszy zonk, ale nic to, jedziemy dalej – netbook jest wypasiony, może producent zrozumiał to jako „select both of them” 😉 Tak czy inaczej mikrofon „jakoś” powinien działać, a zarówno T jak i R można bez obaw zwierać z masą (co zresztą ma miejsce podczas wkładania wtyczki).
Co i jak musimy ustawić w sterownikach? Na razie zajmijmy się tylko „pozyskaniem” sygnału. Musimy jako źródło nagrywania ustawić mikrofon, w zależności od jakości karty i mikrofonu może okazać się konieczne aktywowanie funkcji boost (czyli „zwiększenie wydajności mikrofonu”) – w różnych komputerach jest różnie, to jest po prostu „ptaszek” – włączmy go przynajmniej na początku, będzie lepiej słychać, poziom sprawdzi się później:
Żeby słyszeć się bezpośrednio, a nie przez bufor programu z dużymi opóźnieniami, również w mikserze „odsłuchowym” (górnym) mikrofon jako źródło sygnału musi być zaznaczony. Nie oznacza to niestety, że będzie cokolwiek słychać – akurat w moim asusie sygnał owszem jest, ale taki słaby, że w zasadzie go nie ma. Odsłuch to jednak temat na inny cykl, teraz tylko nagrywamy.
Najpierw podłączymy mikrofon „jak się należy” – wykorzystując kabel symetryczny i symetryczne przelotki. Wiadomo, że wejście mikrofonowe w netbooku nie jest symetryczne, w dodatku analiza schematu pokazuje, że połączenie symetrycznymi kablami to nie jest to najlepszy pomysł – wprawdzie złącze R jest dla prądu zmiennego „umasione”, ale jednak przez opornik, który powoduje spory spadek poziomu. No, ale nic, podłączamy. Układ testowy wygląda jak poniżej – uważni czytelnicy zauważą inną przelotkę mały-duży jack, tak, poprzednia nie wytrzymała „napięcia międzywierszowego” i się rozpadła:
Mam też przygotowany zestaw „niesymetryczny” – symulujący mikrofon z kablem zakończonym jackiem mono. Zestaw jest bardzo podobny, różni się jednym elementem i przypomnę, że wygląda tak:
Prupki jutro, muszę je nagrać 😉



